|
Дневные ходовые огни
|
|
|
Oleg - Йошкар-Ола
|
1 |
12:34 |
Воскресенье, 03 Апреля 2011
|
Don`t Worry, Be Happy
Администратор
Оффлайн
|
А здесь обсуждаем установку светодиодных дневных ходовых огней (ДХО) на КИА Пиканто.
|
Пиканто ТА 2013, 1.0, МКПП
|
|
|
|
|
Меню форума
|  |
|
|
|
Oleg - Йошкар-Ола
|
16 |
12:36 |
Воскресенье, 03 Апреля 2011
|
Don`t Worry, Be Happy
Администратор
Оффлайн
|
Quote (Останий) просто будут яркие габариты белого цвета, красиво будет Дык а надо-то чтоб не только красиво, а чтобы дневной свет! Из-за этого ведь сыр-бор. А к двум диодам вместо фар как раз ГАИшники и будут доё.... А DRLку надо поискать. Цена ее в Инете ок. 700 руб., но лампочек при новом законе точно сэкономит на свою стоимость. Я уж не говорю о нервах при замене. Мягкий пуск - вещь весьма полезная.
|
Пиканто ТА 2013, 1.0, МКПП
|
|
|
|
|
Меню форума
|  |
|
|
|
pupirok - Москва
|
17 |
12:37 |
Воскресенье, 03 Апреля 2011
|
|
|
есть вот такой вариан лампочек куда угодно их можно запихнуть!!! продумайте куда их их можно....будет всем полезно или для этого можно создать отдельную тему?!
|
|
|
|
|
|
|
Меню форума
|  |
|
|
|
Galchonok - Химки
|
18 |
12:37 |
Воскресенье, 03 Апреля 2011
|
Пользователь
Оффлайн
|
В бампер их поставить можно вместо штатных противотуманок.
|
Kia Picanto
EX
2007г
АКПП
1,1л
|
|
|
|
|
Меню форума
|  |
|
|
|
pupirok - Москва
|
19 |
12:37 |
Воскресенье, 03 Апреля 2011
|
|
|
да, я туда и хочу...только цена вопроса пока 8 тащ.
|
|
|
|
|
|
|
Меню форума
|  |
|
|
|
=ant= - Орехово-Зуево
|
20 |
12:37 |
Воскресенье, 03 Апреля 2011
|
|
|
РебятЫ, а вы не забыли о том, что запрещено самостоятельно вносить изменения в конструкцию ТС? Quote ....Владимир Кузин: "Дневные ходовые огни" к габаритным не имеют отношения. Это новое понятие, которое вводится в правила в связи с тем, что ими стали оборудовать автомобили. Этим термином называют внешние световые приборы, предназначенные для улучшения видимости движущегося транспортного средства спереди в светлое время суток. Вы, наверное, видели их на современных автомашинах, в основном европейского производства. Они конструктивно выделяются в фаре. В большинстве случаев это светодиодные лампы. При их использовании не требуется включать дополнительно световые сигналы, то есть противотуманки или ближний свет. Полковников: То есть сам я их не могу поставить? Кузин: Сами - нет. Это уже будет внесение изменения в конструкцию автомобиля. Если у вас отечественная машина, или иномарка, не оборудованная этими огнями, то вам полагается использовать либо ближний свет фар, либо противотуманные фары в дневное время суток. ....
|
|
|
|
|
|
Меню форума
|  |
|
|
|
Oleg - Йошкар-Ола
|
21 |
12:37 |
Воскресенье, 03 Апреля 2011
|
Don`t Worry, Be Happy
Администратор
Оффлайн
|
Quote (=ant=) Полковников: То есть сам я их не могу поставить? Кузин: Сами - нет. Это уже будет внесение изменения в конструкцию автомобиля. =ant=, на ВАЗах нет противотуманок. И конструкцией не предусмотрено. Но ведь ставят! И ставят, кто во что горазд! А посмотри, сколько их всяких в магазинах! А почему я не имею права поставить ДХО в места, предназначенные для противотуманок? И не самопальные, а какие-нибудь фирменные, рассчитанные и изготовленные профессионалами, имеющими сертификаты и другую хрень... Дурачок Кузин, и не лечится...
|
Пиканто ТА 2013, 1.0, МКПП
|
|
|
|
|
Меню форума
|  |
|
|
|
Останий - Новокузнецк
|
22 |
12:37 |
Воскресенье, 03 Апреля 2011
|
Незнание правил не освобождает от ответственности
Пользователь
Оффлайн
|
Quote (Oleg) на ВАЗах нет противотуманок. И конструкцией не предусмотрено. Это на каких моделях не предусмотрено? Помнится даже на копейке и шестерке под противотуманки с завода в бампере были просверлены дырочки для их крепления
|
Kia Picanto
Premium
2006г
АКПП
1,1л
С нашего расставания
|
|
|
|
|
Меню форума
|  |
|
|
|
Oleg - Йошкар-Ола
|
23 |
12:38 |
Воскресенье, 03 Апреля 2011
|
Don`t Worry, Be Happy
Администратор
Оффлайн
|
Останий, у отца моего было 3 жигуленка.: 21011, 2103 и 2106. Нигде дырок в бамперах не было. И народ извихался, как мог. Ставили кто что хотел. Да и на 8-ках - 9-ках люди делали, ( да и делают) кто во что горазд. Я не слышал, чтобы хоть кого-то заставляли что-то снимать, кроме, разьве что какого-нибудь синего-зеленого сзади, да красного спереди...
|
Пиканто ТА 2013, 1.0, МКПП
|
|
|
|
|
Меню форума
|  |
|
|
|
pupirok - Москва
|
24 |
12:38 |
Воскресенье, 03 Апреля 2011
|
|
|
все равно я считаю, что даже лампы дневного света, которые сейчас вошли в моду не могут заменить обычные противотуманки по своему свечению на обочину, а это очень важно!)
|
|
Сообщение отредактировал pupirok - Среда, 14 Июля 2010, 23:44
|
|
|
|
|
Меню форума
|  |
|
|
|
Останий - Новокузнецк
|
25 |
12:38 |
Воскресенье, 03 Апреля 2011
|
Незнание правил не освобождает от ответственности
Пользователь
Оффлайн
|
pupirok, так лампы дневного света и не призваны заменять противотуманки Это совершенно разные вещи
|
Kia Picanto
Premium
2006г
АКПП
1,1л
С нашего расставания
|
|
|
|
|
Меню форума
|  |
|
|
|
Oleg - Йошкар-Ола
|
26 |
12:38 |
Воскресенье, 03 Апреля 2011
|
Don`t Worry, Be Happy
Администратор
Оффлайн
|
Quote (Останий) не призваны заменять противотуманки
|
Пиканто ТА 2013, 1.0, МКПП
|
|
|
|
|
Меню форума
|  |
|
|
|
Galchonok - Химки
|
27 |
12:38 |
Воскресенье, 03 Апреля 2011
|
Пользователь
Оффлайн
|
Забавно, но на пикашки есть система дневного света (эта пресловутая DRL). Только вот в продаже я ее найти не могу. В инструкции есть упоминание (в разделе про световые приборы).
|
Kia Picanto
EX
2007г
АКПП
1,1л
|
|
|
|
|
Меню форума
|  |
|
|
|
Oleg - Йошкар-Ола
|
28 |
12:38 |
Воскресенье, 03 Апреля 2011
|
Don`t Worry, Be Happy
Администратор
Оффлайн
|
Quote (Galchonok) В инструкции есть упоминание (в разделе про световые приборы). Чего-то я не помню такого. Galchonok, у тебя рестайлинговая? Может, у нее уже предусмотрели что-то? А куда они ставятся? На места ПТФ, или куда-то в другое место? Если в другое, то можно и на дорестайл приблудить. И еще вопрос: ДРЛ, или светодиоды?
|
Пиканто ТА 2013, 1.0, МКПП
|
|
|
|
|
Меню форума
|  |
|
|
|
Galchonok - Химки
|
29 |
12:39 |
Воскресенье, 03 Апреля 2011
|
Пользователь
Оффлайн
|
Quote (Oleg) Galchonok, у тебя рестайлинговая? Может, у нее уже предусмотрели что-то? А куда они ставятся? На места ПТФ, или куда-то в другое место? Если в другое, то можно и на дорестайл приблудить. И еще вопрос: ДРЛ, или светодиоды? У меня дорестайлинговая, 2007 года выпуска. Нет в ней ДРЛ. Но в мануале есть упоминание об этом. Скорее всего, это какой-нибудь предохранитель/релюшка. Она, возможно, включает ближний свет в режим дневного освещения. Посмотрим, что официальный КИА ответит
|
Kia Picanto
EX
2007г
АКПП
1,1л
|
|
|
|
|
Меню форума
|  |
|
|
|
Lebom - Томск
|
30 |
12:39 |
Воскресенье, 03 Апреля 2011
|
|
|
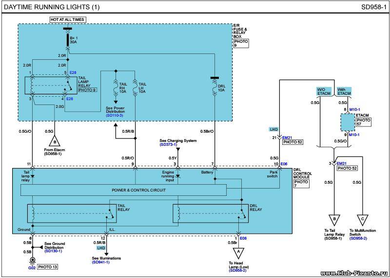
Oleg, вот схемка ДРЛ
|
|
|
|
|
|
Меню форума
|  |
|
|